根据《中国科学院关于加强科研项目关联业务管理的暂行规定》(科发条财字〔2015〕125号)、《中国科学院合肥物质科学研究院关于加强科研项目关联业务管理的实施细则》(科合院发资字〔2021〕8号)、《合肥研究院加强关联业务管理暂行办法》(科合院发资字〔2022〕 1号)、《合肥物质院加强关联业务管理补充规定》(科合院发资字〔2025〕1号)要求,现就我院委托合肥聚能电物理高技术开发有限公司进行10KA电流引线原材料、加工、装配、绝缘制造的关联业务做公示。
一、关联业务概述
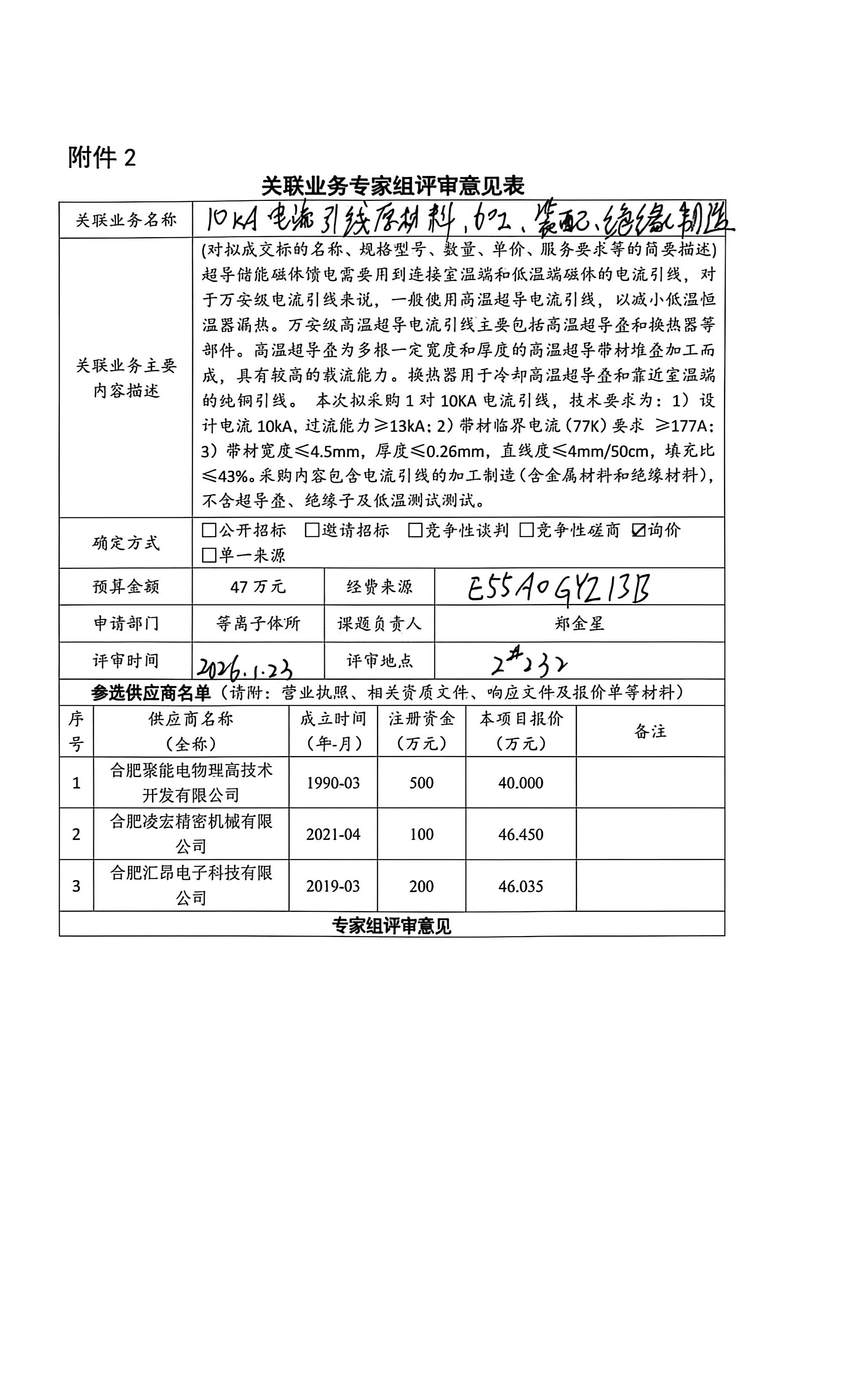
中国科学院合肥物质科学研究院等离子体物理研究所郑金星老师委托合肥聚能电物理高技术开发有限公司进行10KA电流引线原材料、加工、装配、绝缘制造。该电流引线应用于超导储能磁体馈电中连接室 温端和低温端磁体,以减小低温恒温器漏热。该万安级高温超导电流引线主要包括高温超导叠和换热器等部件,高温超导叠为多根一定宽度和厚度的高温超导带材堆叠加工而成,预期 具有较高的载流能力,换热器用于冷却高温超导叠和靠近室温端的纯铜引线。合肥聚能电物理高技术开发有限公司股东之一为合肥科学岛控股有限公司,该公司在其中占股35%,本次构成关联业务交易。
二、关联业务方介绍
1、名称:合肥聚能电物理高技术开发有限公司
2、企业性质:有限责任公司
3、注册地:合肥
4、注册资本:500万人民币
5、经营范围:成套电物理机械设备设计、研制与安装;模具设计、制造;等离子体与离子束技术开发;低温系统、超导材料与器件、超高真空技术与产品、通讯计算机与自动控制系统的研制、开发与应用;技术咨询服务、成果转让;GC-2压力管道安装改造修理;自营和代理各类商品和技术的进出口业务
6、注册时间:1990年3月29日
三、关联业务事项的主要内容
1、铜及不锈钢原材料 2 批,单价 5 万元,合计 10 万元;
2、高温超导电流引线机加工 2 件,单价 3.9 万元,合计 7.8 万元;
3、高温超导电流引线装配 2 件,单价 5.25 万元,合计 10.5 万元;
4、高温超导电流引线焊接 2 件,单价 4.05 万元,合计 8.1 万元;
5、高温超导电流引线绝缘制作 2 件,单价 1.8 万元,合计 3.6 万元;
6、总计人民币 40 万元。
四、公示期及意见反馈
公示期:2026年01月23日---2026年01月29日
任何单位或个人如对上述公示内容有异议或其他问题,均可以邮件或者书面形式(一般要求署名)向相关部门提出。
业务部门联系方式:电子邮箱:xinhb@hfcas.ac.cn 联系电话:65590228
监督部门联系方式:电子邮箱:jianshen@hfcas.ac.cn 联系电话:65591218
中国科学院合肥物质科学研究院
资产与条件保障处
二〇二六年一月二十三日




Copyright © 2019 hfcas.ac.cn All Rights Reserved 中国科学院合肥物质科学研究院 资产与条件保障处 版权所有 皖ICP备 05001008
地址:安徽省合肥市蜀山湖路350号1110信箱 邮编:230031 电话:0551-65593322 电邮:pzhao@ipp.ac.cn